This project was another gift project where I put together a bluetooth speakers with some nifty IN-9 nixie tubes. Overall this was a fun and challenging project – learned a lot about high voltage switching power supplies, audio class-D drivers, I2S protocol, and PLL clock synthesis. It was also my first foray into some woodworking, which was definitely a novel experience compared to my metalworking history.








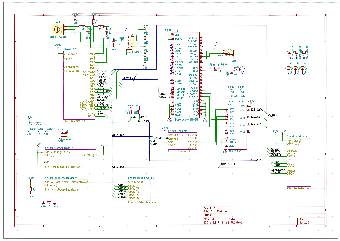
Layout and Schematic


Files can be found here: https://github.com/ovdessel/NixieSpeaker
Update
After a few years of use some of the nixie tubes ended up cracking. This was because I didn’t account for the thermal expansion as these tubes heated up. Over time enough cycles caused the glass to fail. The fix was to increase the pocket and to add a 3D printed bracket that allows the glass tubes to expand without being fully confined.
